ОЦЕНКА СКОРОСТИ ВОЗБУДИТЕЛЬНЫХ ПРОЦЕССОВ НЕРВНОЙ СИСТЕМЫ СПОРТСМЕНА


Роженцов В.В. - д.т.н., профессор, кафедра проектирования и производства ЭВС Марийского ГТУ (Связь с автором может быть осуществлена через редакцию журнала)
 

Полевщиков М.М. - к.п.н., профессор, декан факультета физической культуры, спорта и туризма Марийского ГТУ

 

 

Ключевые слова: нервная система, скорость возбуждения, оценка

Key words: nervous system, the excitation rate, assessment

Резюме. Описан метод оценки времени возбуждения зрительного анализатора, характеризующего скорость возбудительных процессов нервной системы. Знание инди видуальной скорости возбудительных процессов спортсменов позволит на основе ее объективной оценки помочь тренеру в комплектации команды или в планировании индивидуальных целенаправленных тренировок по ее увеличению.

Summary. A method for estimating the time of excitation of the visual analyzer, which characterizes the rate of excitatory processes of the nervous system. Knowledge of the individual rate of the excitatory process will allow athletes on the basis of objective evaluation to help coach the team in a complete set or in the planning of individual training sessions focused on the increase.

Введение

В любом виде спорта особенности деятельности спортсмена определяются специфическими требованиями к ее выполнению, от которых зависит спортивный результат этой деятельности [1]. В игровых видах спорта важным компонентом деятельности является технико-тактическое мастерство, то есть действия в ситуациях, требующих быстрой оценки и принятия адекватных решений [7]. Быстрота самих действий характеризуется временем скрытого периода двигательной реакции, скоростью одиночного движения, частотой движений в единицу времени и производной от этих показателей - скоростью передвижения. Основой быстроты, по мнению В.П. Губы [2], является подвижность нервных процессов и эффективность реализации переданного к мышце нервного импульса.

Однако индивидуально-психологические различия обусловлены типологическими свойствами нервной системы, которые, согласно концепции И.П. Павлова, помимо подвижности характеризуются силой, скоростью процессов возбуждения и торможения и их уравновешенностью. При этом типологические свойства нервной системы полагаются прирожденными, определяющими генотип нервной системы [9].

В то же время С.Г. Геллерштейном и его сотрудники еще в 50-е годы прошлого века выполнен цикл исследований, показавших, что время реакции является не столько показателем природно заданных индивидуально-психологических особенностей человека, но и предметом воспитания, управляемого развития [5].

По современным представлениям торможение возникает вследствие перераспределения различных уровней возбуждения или в итоге встречи двух возбуждений. Следовательно, торможение возникает из возбуждения и не может рассматриваться как самостоятельный процесс. Такой подход полностью совпадаете идеями, изложенными в трудах Н.Е. Введенского и его последователей [4].

Таким образом, технико-тактическое мастерство в игровых видах спорта, обусловленное быстротой оценки игровой ситуации, принятия адекватных решений и быстротой двигательных действий по исполнению решений существенно зависят от скорости возбудительных процессов нервной системы.

Цель работы - разработка метода оценки времени возбуждения (ВВ) зрительного анализатора, характеризующего скорость возбудительных процессов нервной системы.

Метод оценки времени возбуждения зрительного анализатора

Работа зрительного анализатора характеризуется многочисленными параметрами, одним из которых является ее инерционность, обусловленная наличием времени ощущения и времени восстановления. Между моментом воздействия света на сетчатку и моментом возникновения соответствующего зрительного ощущения проходит некоторое время, обозначаемое как время ощущения. В свою очередь, зрительное ощущение не исчезают с прекращением воздействия света на сетчатку, время между моментом прекращения воздействия света на сетчатку и моментом исчезновения соответствующего зритель ного ощущения обозначается как время восстановления (рис. 1) [3, 8].

Рис. 1. Временные диаграммы светового импульса и его зрительного ощущения.
а - временная диаграмма светового импульса; б - временная диаграмма зрительного ощущения светового импульса, представленного на диаграмме "а"; t - длительность светового импульса;  - 1 время ощущения; 2 - время восстановления.

Для определения ВВ предложен психофизиологический метод [6], заключающийся в предъявлении испытуемому парных световых импульсов длительностью t, равной 200 мс, разделенных межимпульсным интервалом (МИИ) t , повторяющихся через постоянный интервал времени T, как показано на рис. 2.

Рис. 2. Временная диаграмма парных световых импульсов.
Обозначения в тексте.

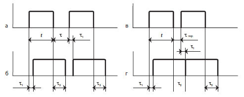
Временные диаграммы предъявляемых парных световых импульсов и их ощущения представлены на рис. 3.

Рис. 3. Временные диаграммы парных световых импульсов и их ощущений.

а - временная диаграмма парных световых импульсов, разделенных МИИ, вызывающим зрительное ощущение раздельности импульсов; б - временная диаграмма зрительного ощущения световых импульсов, представленные на диаграмме "а"; в - временная диаграмма парных световых импульсов, разделенных МИИ длительностью пор пор, вызывающим зрительное ощущение слияния двух световых импульсов в один; г - временная диаграмма зрительного ощущения световых импульсов, представленных на диаграмме "в". Остальные обозначения в тексте.

Для определения ВВ парные световые импульсы предъявляются испытуемому с использованием 10 источников, каждому из которых соответствует одна из 10 кнопок SA1SA10 (рис. 4).

Рис. 4. Расположение пар светодиодов и соответствующих кнопок.

На первом этапе измерений на первый источник подается последовательность парных световых импульсов с МИИ, равным 1 мс. На каждый последующий источник подается последовательность парных световых импульсов с МИИ, увеличенным по сравнению с МИИ предыдущего источника на 5 мс. Испытуемый определяет источник с наибольшим номером, для которого субъективно ощущает слияние двух световых импульсов в один, и нажимает соответствующую ему кнопку.

На втором этапе измерений на первый источник подается последовательность парных световых импульсов с МИИ, равным МИИ источника, определенного на первом этапе испытуемым как источник, для которого он субъективно ощущает слияние двух световых импульсов в один. На каждый последующий источник подается последовательность парных световых импульсов с МИИ, увеличенным по сравнению с МИИ предыдущего источника на 0,5 мс. Испытуемый определяет источник с наибольшим номером, для которого субъективно ощущает слияние двух световых импульсов в один, и нажимает соответствующую ему кнопку.

На третьем этапе измерений на первый источник подается последовательность парных световых импульсов с МИИ, равным МИИ источника, определенного на втором этапе испытуемым как источник, для которого он субъективно ощущает слияние двух световых импульсов в один. На каждый последующий источник подается последовательность парных световых импульсов с МИИ, увеличенным по сравнению с МИИ предыдущего источника на 0,1 мс. Испытуемый определяет источник с наибольшим номером, для которого он субъективно ощущает слияние двух световых импульсов в один, и нажимает соответствующую ему кнопку, фиксируя значение длительности порогового МИИ пор, которое принимается за значение ВВ.

Заключение

Знание индивидуальной скорости возбудительных процессов спортсменов позволит на основе ее объективной оценки помочь тренеру в комплектации команды или в планировании индивидуальных целенаправленных тренировок по ее увеличению.

Литература

1. Герон Э. Психоспортограмма // Спортивный психолог. - 2007. № 3(12). - С. 4-15.

2. Губа В.П. Основы распознавания раннего спортивного таланта: Учебное пособие для высших учебных заведений физической культуры. - М.: Тера-Спорт, 2003. - 208 с.

3. Кравков С.В. Глаз и его работа. Психофизиология зрения, гигиена освещения. М.-Л.: Изд-во АН СССР, 1950. 531 с.

4. Методы и портативная аппаратура для исследования индивидуально-психологических различий человека / Н.М. Пейсахов, А.П. Кашин, Г.Г. Баранов, Р.Г. Вагапов; Под ред. В.М. Шадрина. - Казань: Изд-во Казанск. ун-та, 1976. - 238 с.

5. Носкова О.Г. Психологическое наследие С.Г. Геллерштейна // Спортивный психолог. - 2009. № 3(18). - С. 18-22.

6. Патент 2342062 РФ, МПК А61В 3/02. Способ определения времени возбуждения зрительного анализатора человека / Роженцов В.В. - Опубл. 27.12.2008, Бюл. № 36.

7. Радчич И.Ю. Подходы к углубленной индивидуализации и технологии мониторинга подготовки игроков в связи с проблемой олимпийского отбора // Теор. и практ. физич. культуры. - 2003. - № 11. - С. 16-19.

8. Семеновская Е.Н. Электрофизиологические исследования в офтальмологии. М.: Медгиз, 1963. 279 с.

9. Типы нервной системы // Большая советская энциклопедия. - 2-е изд. - Т. 42 / Гл. ред. Б.А. Введенский. - М.: Гос. научн. изд-во "Большая советская энциклопедия", 1956. - С. 455-456.


Home На главную  Library В библиотеку  Forum Обсудить в форуме 

При любом использовании данного материала ссылка на первоисточник обязательна!

Реклама: